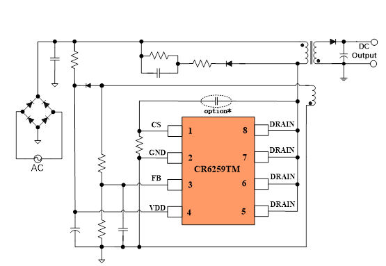
CR6259TM

拓扑结构 : 原边
最大功率 : ≤24W
内置类型 : MOS
功率管 : 内置
功率管耐压 : 650V
待机功耗 : <75mW
封装 : DIP-8L
产品详情

主要特点


  • 待机功耗低于75mW
  • 原边检测拓扑结构,无需光耦和TL431

  • 全电压范围内高精度恒压和恒流输出

  • 可编程CC/CV模式控制

  • 采用多模式控制的效率均衡技术

  • 高能效QR控制模式

  • 内置输出线电压补偿功能

  • 内置初级电感量偏差补偿功能

  • 内置全电压功率自适应补偿功能

  • 动态负载响应功能

  • 内置过温度保护功能

  • 内置输出短路保护功能

  • 内置前沿消隐

  • 启动电流和工作电流低

  • VDD端过压保护

  • 逐周期过流保护

  • 内置输出整流二极管短路保护

  • 内置输出过压保护功能

  • 内置所有PIN脚悬空保护功能

  • DIP-8L绿色封装

基本应用


  • 电源适配器

  • 电脑和服务器辅助电源

典型应用图

CR6259TM.png